音频噪声,很多人都会遇到,下面介绍一个因为音频环地造成的噪声问题。
什么是地环路
顾名思义,接地环路是系统接地方案中的一个物理闭合环路,产生于电路之间的多个接地路径。
地环路是如何形成的
供电及屏蔽造成

如上图,红色为供电线,黑色为地线。设备1和设备2音频互联,之间接了屏蔽线,地第一次拉通。设备2同时还要给设备1供电,电源地线也拉通,造成了上图黑色的接GND环路。
举个应用场景的例子:音频放大器与PC之间接了2条线,一条线通过USB供电,另一条线为3.5mm接头的耳机接头线。这样连接可能就有噪声。
220V接GND线和屏蔽线造成

如上图,设备一和设备2都有自己的独立供电系统,本来Device1和Device之间只有屏蔽线互相接GND,但是因为都接到了220V电源,所有又构成了如上图红色的地环路。
总之,很多复杂的应用场景都可能产生环地,再举个例子,有的产品是金属外壳的,PCB板都通过螺丝孔接到金属外壳,也会形成地环路。
地环路如何引入噪声
地环路为什么会引入噪声呢?
一是天线效应:因为地环路可以充当一个大的环路天线,从环境中拾取噪声,并在地环路上产生电流。地也是由导线构成的,不是超导体,会有地电阻,地电感,电流流过必然会产生电压。这个电压就是噪声了,经过接收设备的放大,这个噪声就是很可观的了,有时会造成完全无法使用。值得提一下的是:交流电源的50/60 Hz磁场是接地环路拾取的常见噪声源。人类的耳朵能听到的声音频率范围为20Hz~20000Hz,所以50Hz的噪声是可以被听到的。
二是电源分流:对于共用电源的情况,正常情况下,我们理想的是音频信号的返回路径为音频的GND线(屏蔽线),电源的回流路径为电源地线。然而电路哪可能这么听话,既然因为形成地环路,那么电源回流就可以从音频的GND线回流,回流的多少取决于两条路径的阻抗。仅仅是电源回流,如果电源的电流波动小,产生的噪声也不大,毕竟音频是一个交流的信号,如果分流的电流是恒定的,那也不会产生交流的信号。而大部分真是的情况是,电流因为设备每时每刻用电的不同,也是一个交流的信号,因此音频地线上分得的电流也是一个交流的信号,也就会形成音频频率范围的噪声了。
如何解决地环路噪声
A、使用音频隔离变压器:这个方式断开了地环路

B、屏蔽层单点接GND:很多音频线都是两边都接了GND,条件允许的话可以在一头接GND,另外一头断开。这种方式也断开了地环路。
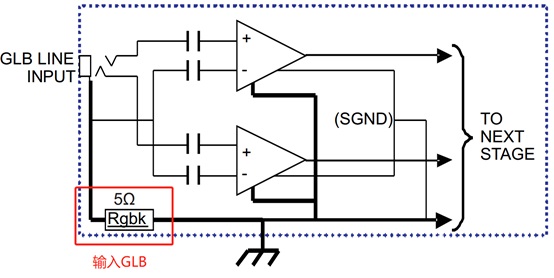
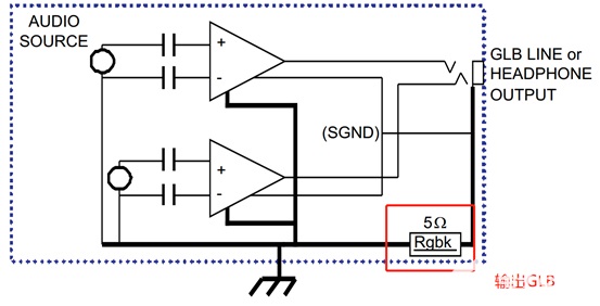
C、采用GLB电路:音频信号端的地线通过一个小电阻与大地相连。具体原理详见TI文档《TI Ground Loop Break Circuits and Their Operation.pdf》,公众号回复“GLB”,可获得该文档。此方法的原理是增大了地环路的阻抗,并让噪声主要落在那个小电阻上面----适用于信号SGND和功率PGND分开的电路。


免责声明: 本文章转自其它平台,并不代表本站观点及立场。若有侵权或异议,请联系我们删除。谢谢! Disclaimer: This article is reproduced from other platforms and does not represent the views or positions of this website. If there is any infringement or objection, please contact us to delete it. thank you! |