摘要
在许多应用中,防止过压至关重要。本文将阐释如何利用保护电路来消除过压。
引言
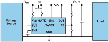
例如,在配电系统中,高负载的快速断开可能会导致过压的产生。为保护连接到同一电源的其他负载,建议采取浪涌保护措施。图1所示为一个保护电路的布局,在待保护的电子电路前端使用了LT4363。此示例源自一个额定电源电压为24 V的工业应用。
图1.用于拦截电压浪涌的浪涌保护电路的简易图示。
通常情况下,在出现过压时,受到保护的电子设备应保持不间断地运行。这就要求保护电路能够使断路器(图1中的Q1)在线性范围内工作。在出现过压期间,MOSFET既不会完全关断,也不会完全导通,而是处于部分导通状态。在这种工作状态下,它的作用就像一个电阻,过压会在其上产生压降。因此,升高的电压所蕴含的能量会在MOSFET Q1中转化为热量。根据所选MOSFET的不同,它只能在一定时间内承受这种热量,之后便会因过热而损坏。

C图2.MOSFET的典型SOA曲线。
图2显示了MOSFET的典型安全工作区(SOA)曲线。SOA曲线定义了器件在不同电压降下可承载的电流大小,以及能够持续承载该电流的时长。如果希望有更大的电流长时间流过MOSFET,就必须选择SOA范围更大的MOSFET。SOA的范围越大,MOSFET的尺寸也就越大。这同样会增加元件的成本。
为了实现元件尺寸的优化,通常会选用尽可能小的MOSFET,并确保其安全运行。这意味着所选的MOSFET既不尺寸过大,又要在实际应用中充分利用其SOA的大部分范围。为此,控制器IC要能够精确识别工作状态,以判断MOSFET的运行是否处于SOA的安全范围内。然而,许多控制器IC仅仅测量流过MOSFET的电流。若还能了解MOSFET两端的电压降,那就更好了。

图3.在LT4363中,根据漏源电压对定时电容器进行充电,实现对SOA曲线的一种准仿真。
LT4363浪涌保护器件不仅会考虑流过MOSFET的电流大小,还会考虑源极和漏极之间施加的电压。如此一来,MOSFET能够在线性模式下更安全地运行,而且也许能够选择尺寸更小的MOSFET,进而降低系统成本。
这种保护机制的工作原理是,根据所测量的电流和压降,对图1中TMR引脚上的定时电容器进行充电。如果电容器上的电压上升到1.275 V以上,就会发出警告。而当电压高于1.375 V时,MOSFET会完全关断,以实施保护。
图3显示了图1中LT4363的定时电容器上的电压如何由于图1中MOSFET Q1上的VDS电压而上升。对于流过MOSFET Q1的电流,同样有类似的充电图示。这些参数可确保不会超出MOSFET的SOA曲线,不仅实现了安全运行,也起到了过压保护的作用。
结论
过压保护模块看起来相当简单且不起眼,但一些细微的特性却能在过压保护的性能表现及MOSFET的选型方面产生重大影响。
免责声明: 本文章转自其它平台,并不代表本站观点及立场。若有侵权或异议,请联系我们删除。谢谢! Disclaimer: This article is reproduced from other platforms and does not represent the views or positions of this website. If there is any infringement or objection, please contact us to delete it. thank you! BD手机网页版官方登录入口-半岛彩票官方网站 ChipSourceTek |