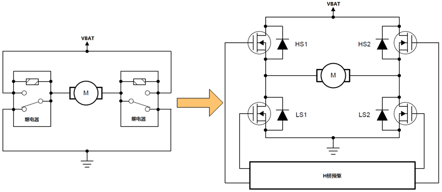
越来越多的电机已被应用到汽车上,选择一个符合汽车等级要求的有刷直流电机驱动,可简化设计以及提高安全性能。本文为您介绍符合汽车等级要求的功能增强型的H桥预驱芯片HCV7535。电机在汽车上的应用,让汽车实现自动化,加强驾驶安全性以及舒适性。不同类型的电机因各自的特点而被应用到汽车上不同的功能模块,有刷直流电机同样也在汽车的多个功能模块中用到,如下图所示。车窗自动升降器,现在基本上每辆车都有,无需再用传统的手摇式;电动座椅调节,同样替代了传统的手动机械式;电动尾箱与电动天窗,更是豪华车的配置,这些都通过有刷直流电机实现。驱动有刷直流电机,可以使用高边驱动或者低边驱动,控制电源连接到电机地输入端即可,简单而实用。当需要控制电机实现正反转时,可以搭建一个H桥来实现,如下图所示的H桥驱动。

简单的H桥电路,可以使用两个继电器实现,外部电路驱动继电器闭合状态即可。这样的继电器H桥驱动虽然简单实用,但也有比较大的局限性,例如体积较大和开关速度较慢,而且在调速方面也显得力不从心。在现在高功率密度需求的趋势下,需要使用更高开关速度,体积更小的器件去替代继电器。MOS管开关速度快,导通阻抗小,过电流能力强,非触点式的电子开关,非常适合用来替代继电器驱动有刷直流电机,而且更容易缩小电路占用空间。由于MOS管的开关速度相对于继电器来说非常高,所以可以通过PWM的方式来进行调速。汽车电子设计的要求越来越高,功能安全与故障检查机制是必不可少的一部分,设计符合汽车标准的直流有刷电机的驱动。
有刷直流电机是一种直流电机,有刷电机的定子上安装有固定的主磁极和电刷,转子上安装有电枢绕组和换向器。直流电源的电能通过电刷和换向器进入电枢绕组,产生电枢电流,电枢电流产生的磁场与主磁场相互作用产生电磁转矩,使电机旋转带动负载。由于电刷和换向器的存在,有刷电机的结构复杂,可靠性差,故障多,维护工作量大,寿命短,换向火花易产生电磁干扰。现代汽车电子系统中,有刷直流电机广泛应用于电动座椅调节机构,通过PWM调速技术实现多级位置记忆功能。在车辆空调系统中,该电机驱动的风门执行器能精确控制出风方向和流量。电动助力转向系统采用大扭矩有刷直流电机,提供精准的方向控制力矩。家用滚筒洗衣机采用有刷直流电机作为驱动核心,其平稳的启动特性有效降低振动噪声。吸尘器产品中,高速有刷直流电机可产生超过20kPa的强劲吸力。变频冰箱压缩机采用特殊设计的有刷直流电机,实现能效等级A++的节能表现。
民航客机襟翼控制系统中,冗余设计的有刷直流电机组确保飞行姿态调整的绝对可靠。无人机云台稳定机构采用微型有刷直流电机,实现拍摄画面的防抖补偿。航天器太阳能帆板展开机构依赖太空级有刷直流电机完成精确的角度定位。冲击电钻采用高功率密度有刷直流电机,在600W额定功率下仍能保持稳定转速。角磨机装备工业级有刷直流电机,可连续工作4小时不发生过热保护。园林链锯使用的防水型有刷直流电机,能在潮湿环境下保持3000rpm的切削转速。通过上述应用实例可见,有刷直流电机凭借其成熟的技术工艺和良好的性价比优势,在众多工业领域持续发挥着关键作用,展现出强大的技术生命力。
有刷直流电机简介有刷直流电机,简称有刷电机,是一种广泛应用于家用电器中的直流电机。其关键组件包括定子上的固定主磁极和电刷,以及转子上的电枢绕组和换向器。在日常生活和众多电子产品中,有刷微型直流电机扮演着关键角色。这些电机广泛应用于家用小电器中,为各种产品提供动力,如咖啡机、剃须刀、洁面仪和美容仪等。在日常生活中,有刷微型直流电机常用于家用小电器,如咖啡机、剃须刀、洁面仪和美容仪。这些设备的运作都离不开有刷微型直流电机提供的动力。
有刷微型直流电机以其简便的控制方式和低廉的成本,赢得了广泛的应用。这类电机只需入直流电即可运转,通过调整电压即可轻松控制。相比之下,无刷微型直流电机则需额外电路支持,且在低转速时扭矩较小,对扭矩有要求的产品还需增加减速机。此外,无刷微型直流电机对产品设计机构和成本的要求也相对较高。因此,在大多数情况下,有刷微型直流电机成为电子产品的首选。除非产品对参数有极高要求,无法通过有刷电机实现,才会考虑使用无刷直流电机。
免责声明: 本文章转自其它平台,并不代表本站观点及立场。若有侵权或异议,请联系我们删除。谢谢! Disclaimer: This article is reproduced from other platforms and does not represent the views or positions of this website. If there is any infringement or objection, please contact us to delete it. thank you! |