小功率电机驱动方案及驱动IC的选择
电机驱动作为工业4.0中工厂自动化整个闭环中的执行器环节,其性能好坏直接影响到整个闭环的性能。因此,工业4.0对电机驱动提出了更高的性能和功能要求,例如更快的响应速度、更高的带宽、更高精度的位置和速度控制、以及更丰富的网络互联功能等。针对不同应用场合的电机,我们应该选择与之相对应的驱动方案。简单地来说,功率大的电机应该选用内阻小、电流容许大的驱动,功率小的电机就可以选用较低功率的驱动。直流小功率电机广泛适用于家电、工控、计算机等诸多设备。较常规的方法是采用 PWM 控制,常见的驱动有两种方式:
一、采用集成电机bd官方网站登录入口 ;
二、采用MOSFET和专用栅极bd官方网站登录入口 。
图1
在高集成度的应用中,传统电机控制链路MCU + Gate Driver + MOSFET(如图1)中已经出现了MCU+ Pre-Driver集成,或是Pre-Driver+MOSFET功率模组集成的方式,甚至在一些小功率应用中还出现了集成全部链路的情形。而在便携设备、IOT和5G应用中,对电机驱动在高精度、小型化、高集成度、低功耗的要求越来越高;而自动化生产线则对电机驱动的高可靠性和长寿命提出了苛刻的要求。
按集成度的不同,有3种电机驱动器方案:系统单芯片(SoC)方案、集成的控制方案(ICS)和门极驱动器方案。
SoC方案将DC-DC、门极驱动器、控制器、逆变器及反馈/保护等集成到单个芯片上,集成度高,适合空间受限的应用,简单易用。
ICS方案相对于SoC方案,没有集成逆变器,因而可通过外部MOSFET支持宽范围的功率,适用于功率较大的应用,灵活性较高。
门极驱动器方案则只集成DC-DC、门极驱动器和反馈/保护,因为控制器和功率器件都在外部,所以具有的灵活度。
门级驱动方案因其灵活性和传统性,在非汽车市场有较多的应用,比如应用在风扇、电动工具、按摩椅等小功率场合。有隔离门级驱动产品和非隔离门级驱动产品。
数明半导体提供高可靠性的门级驱动,产品覆盖200V及600V工作电压范围,可供客户选择各种驱动电流以及半桥、全桥设计。
数明的非隔离门级驱动产品中,200V IGBT/MOSFET 半桥驱动IC有SLM2001、SLM2003、SLM2004、SLM2005;160V IGBT/MOSFET 三相全桥驱动IC有SLM7888;600V IGBT/MOSFET半桥驱动IC SLM21XX和SLM2304S以及三相全桥驱动IC SLM2136。非隔离门级驱动产品具有高可靠性及广泛兼容性,更宽的驱动能力。
隔离式半桥栅极驱动器可用于许多应用,从要求高功率密度和效率的隔离式DC-DC电源模块,到高隔离电压和长期可靠性至关重要的太阳能逆变器等等,不一而足。数明的新兼容光耦隔离式单通道栅极驱动器系列产品SLM34x,与传统的光耦栅极驱动器相比,具有低延时,低脉宽失真,共模瞬态抗扰度能力强,寿命长,工作温度范围宽等一系列优点、工作电压范围更宽,输入端抗负压能力更强,可在变频,伺服,UPS,感应加热等不同领域进行应用。

图2
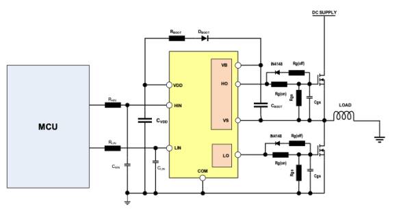
今天的内容主要涉及数明的非隔离式半桥驱动产品,如图2为典型半桥应用电路。
非隔离半桥在电机控制、开关电源、工业自动化等领域目前已经得到了广泛的应用,数明的非隔离式半桥驱动产品应用广泛,比如说SLM2106S应用于电吹风,SLM2101S成功打入了吊扇、无叶风扇、破壁机、风扇、暖风机等市场,SLM2XX在白色家电产品中都占据了不小的市场份额;三相驱动产品比如SLM2136也在跑步机、工业缝纫机、水泵等工控场合有一定的市场,SLM7888在电动车、角磨机一类的电动工具市场站稳了脚跟。今天主要涉及到数明的半桥驱动IC在小功率电机驱动中的应用。
在上文提到的各类小功率应用的电机驱动电路的设计中,主要考虑:
1. 电机转动方向、速度。对于单向的电机驱动,只要用一个大功率三极管或MOS直接带动电机即可,当电机需要双向转动时,可以使用由4个功率元件组成的H桥电路,通过改变流入电机的电流方向从而改变电机转向。如果需要调速,可以使用三极管,MOS等开关元件实现PWM(脉冲宽度调制)调速。(PWM控制通常配合桥式驱动电路实现直流电机调速,电机的转速与电机两端的电压成比例,而电机两端的电压与控制波形的占空比成正比,因此电机的速度与占空比成比例,占空比越大,电机转得越快,当占空比α=1 时,电机转速)
2. 对于PWM调速的电机驱动电路,选择驱动IC时主要有以下性能指标需要考虑:
1)输出电流和耐压,它决定着电路能驱动多大功率的电机。
2)效率,节省电源同时减少驱动电路的发热。可以从保证功率器件的开关工作状态和防止共态导通(在需要涉及为H桥时)入手。
3)对控制输入端的影响,是否使用隔离式驱动IC。
4)对电源的影响。
5)可靠性。在系统应用中,由于门极驱动连接着逻辑控制单元与功率变换单元,门极bd官方网站登录入口 的稳定性对整个系统的可靠性起着至关重要的作用。
因此,不同的应用场合,采用不同的驱动方案是必要的。

图3-1

图3-2
在小功率应用场合,门级驱动方案应用广,选取合适的门级驱动IC是极为重要的。MOSFET开关速度快、导通电阻低,在电机驱动电路中占据半壁江山。要想使MOSFET在应用中充分发挥其性能,驱动电路必不可少。在应用中,MOSFET一般工作在如图1所示的桥式拓扑结构模式下。由于下桥MOSFET驱动电压的参考点为地,较容易设计驱动电路,而上桥的驱动电压是跟随相线电压浮动的,因此如何很好地驱动上桥MOSFET成了设计能否成功的关键。相比全桥驱动,半桥bd官方网站登录入口 由于其易于设计驱动电路、外围元器件少、驱动能力强、可靠性高、灵活等优点在MOSFET驱动电路中得到广泛应用。数明的半桥门级bd官方网站登录入口 是不错的选择。门级驱动IC的两个主要参数:耐压和驱动电流。如图3所示,前文提到的SLM2101、SLM2106S皆有600V耐压,290/600mA 的驱动电流(MOSFET的栅-源极之间存在寄生电容,MOSFET的开和关过程,是对电容的充放电过程,如果MOSFET的驱动电路不能提供足够的峰值电流(输入/输出电流),则会降低MOSFET的开关速度。所以,根据不同的产品,来选取不同的驱动IC驱动电机至关重要),是具有高低侧参考输出通道,耐压高、高速的MOSFET和IGBT驱动IC,逻辑输入兼容标准CMOS或LSTTL输出,逻辑电压可降至3.3 V。输出驱动器的特点是一个高脉冲电流缓冲级设计的驱动器交叉传导。浮动通道可用于驱动n通道功率MOSFET或IGBT在高侧配置,耐压达600V,通断时间220 ns/200 ns。而SLM2101S通断时间为160 ns/150 ns。
免责声明: 本文章转自其它平台,并不代表本站观点及立场。若有侵权或异议,请联系我们删除。谢谢! Disclaimer: This article is reproduced from other platforms and does not represent the views or positions of this website. If there is any infringement or objection, please contact us to delete it. thank you! BD手机网页版官方登录入口-半岛彩票官方网站 ChipSourceTek |