中国上海,2024年9月10日——东芝电子元件及存储装置株式会社(“东芝”)今日宣布,推出面向车载直流有刷电机的新款栅极驱动器IC[1]的工程样品——TB9103FTG,可用于包括电动尾门、电动滑动门驱动闩锁电机[2]和锁定电机[3],以及电动车窗和电动座椅的驱动电机等。
手动调节的车载部件现已基本实现电气化,这增加电机的需求以及在汽车中集成的数量。此外,由于电机所用驱动器的数量增加,从而促进缩小和集成整体系统的发展步伐。还有一些电机应用不需要控制转速,这些应用需要具有简单功能和性能的驱动器。
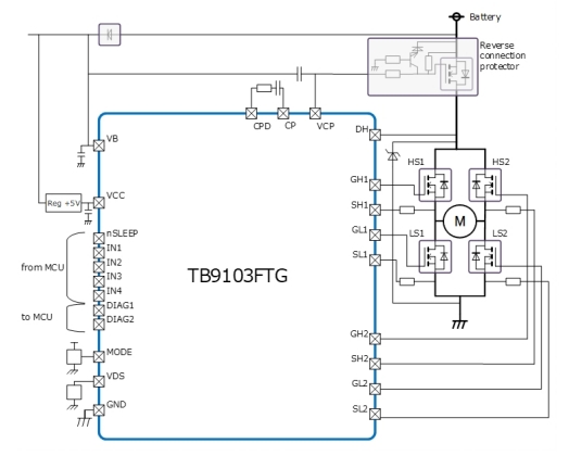
TB9103FTG可为无需速度控制的有刷DC电机提供优化的栅极驱动器功能和性能,为实现更紧凑设计开辟道路。它具有一款内置的充电泵电路[4],其可确保为驱动电机的外部MOSFET供电所需的电压。此外,它还具有栅极监控功能,可通过为高低边外部MOSFET自动控制栅极信号输出时序,防止生成直通电流。
新产品还可作为单通道H桥或双通道半桥使用。除了用作电机驱动器的应用外,最新IC还能与外部MOSFET结合,替代机械继电器以及其它机械开关,有助于实现静音工作以及更高的设备可靠性。
TB9103FTG采用4.0 mm×4.0 mm(典型值)P-VQFN24-0404-0.50-003封装,有助于缩小设备尺寸。
应用:
车载设备
为电动尾门和电动滑动门驱动闩锁电机和锁定电机与驱动车窗和电动座椅等的电机
特性:
最小化的功能和性能支持小型化
小型封装
内置睡眠功能实现低功耗待机
可作为单通道H桥或双通道半桥的栅极驱动器使用
主要规格:
注:
[1] 驱动MOSFET的驱动器。
[2] 系统中使用的电机,用于保持车门关闭。
[3] 系统中使用的电机,其将与钥匙工作配合,为车门上锁和开锁,以防出现犯罪行为。
[4] 使用电容器和开关升压的电路。
*其他公司名称、产品名称和服务名称可能是其各自公司的商标。
*本文档中的产品价格和规格、服务内容和联系方式等信息,在公告之日仍为最新信息,但如有变更,恕不另行通知。
关于东芝电子元件及存储装置株式会社
东芝电子元件及存储装置株式会社是先进的半导体和存储解决方案的领先供应商,公司累积了半个多世纪的经验和创新,为客户和合作伙伴提供分立半导体、系统LSI和HDD领域的杰出解决方案。
公司22,200名员工遍布世界各地,致力于实现产品价值的最大化,东芝电子元件及存储装置株式会社十分注重与客户的密切协作,旨在促进价值共创,共同开拓新市场,公司现已拥有超过7,971亿日元(49.6亿美元)的年销售额,期待为世界各地的人们建设更美好的未来并做出贡献。
如需了解有关东芝电子元件及存储装置株式会社的更多信息,请访问以下网址:https://toshiba-semicon-storage.com
免责声明: 本文章转自其它平台,并不代表本站观点及立场。若有侵权或异议,请联系我们删除。谢谢! |